![]() | Rovná krbová vložka s oceľovou konštrukciou Defro. Model s pevným oceľovým roštom a otváraním do boku. |
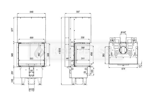
Defro Home Intra XSM C G - trojstranná oceľová teplovzdušná krbová vložka
s výsuvom
Spoločnosť DEFRO bola založená v roku 1973, dnes je najväčší výrobca kotlov v Poľsku a v Európe vôbec – v číslach to znamená 40 000 vyrábaných kotlov ročne. DEFRO má veľmi inovatívne laboratórium a veľký výrobný závod. Firma spolupracuje so skúsenými inžiniermi, zváračmi, administratívnymi pracovníkmi a technickými poradcami.
V neposlednom rade sa kladie dôraz aj na hospodárnosť a ekologické riešenia. Certifikácie spĺňajú kritériá všetkých
európskych štátov, kde sa firma DEFRO úspešne etabluje a získava nových a nových zákazníkov.
Z tohto hľadiska treba spomenúť najmä mimoriadne praktický rad QUADROOM. Liatinové krbové kachle radu Orbis potešia najmä minimalistov. Nie v poslednom rade DEFRO vyrába aj peletové kachle, ktoré nevyžadujú náročnú údržbu. Najznámejšími zariadeniami v súčasnosti sú teplovzdušné krbové vložky – Defro umožnilo individuálny výber ozdobného rámu, ako aj farby obkladu a rukoväte, preto spotrebič spĺňa predstavy každého spotrebiteľa.
Rad Defro Home Prima je kombináciou ochrany životného prostredia, dizajnu a hospodárnosti. Krbové vložky radu DEFRO HOME INTRA úspešne vykurujú celý dom. Moderný dizajn a úzke ohnisko umožňujú použitie v pasívnych a rekuperačných domoch.
Séria sa dodáva v štyroch podobách v závislosti od veľkosti ohniska: XSM, SM, ME, LA. Pri správnej prevádzke platí na spotrebič päťročná záruka, 2 roky na rošt, 2 roky na ceramiton, 1 rok na deflektor.
Sortiment Defro Home zahŕňa rovné, rohové, trojstranné a obojstranné krbové vložky. Okrem toho, že v prípade rovných krbových vložiek ide o cenovo najdostupnejšiu možnosť, vďaka svojmu dizajnu sú skvostom v každej domácnosti. Rovné krbové vložky sú tiež dobrou voľbou pre tých, ktorí nemôžu inštalovať rohovú verziu kvôli dizajnu svojho domu. Trojstranná verzia krbovej vložky Intra XSM dodáva Vášmu domovu exkluzívny vzhľad.
Vlastnosti
malá konštrukcia, vďaka ktorej sa zmestí aj do malých miestností
masívna a odolná konštrukcia z ocele
ohnisko z akumulačného materiálu
výsuvné otváranie
regulovateľné nožičky
vývod dymovodu je horný, s priemerom 150 mm
A+ energetická trieda
vyberateľný a pevný rošt
palivo: drevo a drevené brikety
sklo s dizajnovým čiernym sklom

VOLITELNÉ PRÍSLUŠENSTVO KU KRBOVEJ VLOŽKE
Čierny ceramiton

Okrem štandardnom prevedení (vľavo) mame pre Vás k dispozícií variant čierny ceramiton.
Čierna klučka

Vďaka voliteľnej čiernej klučke sa môžeme tešiť z exkluzívnejšieho a zároveň modernejšieho vzhľadu krbovej vložky.
Rukoväť pre zdvih / Odnímateľná rukoväť

Pri tejto krbovej vložke si môžete vybrať rukoväť pre zdvih, alebo dokonca odnímateľnú rukoväť.
Rovné krbové mriežky Defro Home

Ku krbovej vložke si môžete vybrať rovnú vetraciu mriežku, ktorá je k dispozícii v rôznych veľkostiach: 480X90, 650X90, 810X90, 980X90.
Rámiky
Rámiky Defro sú ozdobnými príslušenstvami ku krbovým vložkám. Ich hlavnou výhodou je rýchla inštalácia, ku ktorej nepotrebujete ani špecifické náradie. Rám je odolný voči teplote a ľahko zapadá do každého interiéru.

K tejto trojstrannej krbovej vložke odporúčame rámik M20 (viď na fotke hore).
| INDIVIDUÁLNA CENA |
